ZF 9HP transmission
| ZF 9HP | |
|---|---|
| Overview | |
| Manufacturer | ZF Friedrichshafen |
| Production | 2013– |
| Assembly | Gray Court, South Carolina, United States |
| Body and chassis | |
| Class | 9-speed transverse automatic transmission |
The ZF 9HP is a nine-speed automatic transmission built by ZF Friedrichshafen AG subsidiary ZF Transmissions in Gray Court, South Carolina.[1] It is a front-transverse transmission, used in front-wheel drive and all-wheel drive vehicles. ZF claims that it is able to save an average of 16% in fuel compared with current 6-speed automatic transmissions. The gear ratio spread is 9.81:1. The transmission has a torque range between 280 and 480 Nm.[1]
The 9HP is only 0.24 inches (6mm) longer than, and weighs 16.5 lbs (7.5 kg) less than, the outgoing six-speed transmission. The compact packaging is achieved by using a number of innovative design features: a new compact hydraulic vane-type pump, two patented dog clutches, which replace bulkier conventional clutch packs, and a nested gear set.[2]
Land Rover and Jeep demonstrated the world's first nine-speed automatic transmissions for passenger cars at the 2013 Geneva Motor Show.[2] The 2014 Jeep Cherokee featured the world's first nine-speed automatic transmission for a passenger vehicle to market. The transmission has been problematic, as customers of Jeep, Chrysler, and Acura models equipped with the transmission have experienced problems in their vehicles regarding lack of traction, bad shifting, loss of 4x4 capability, crash noises, and troubles with bad clutch disks.[3]
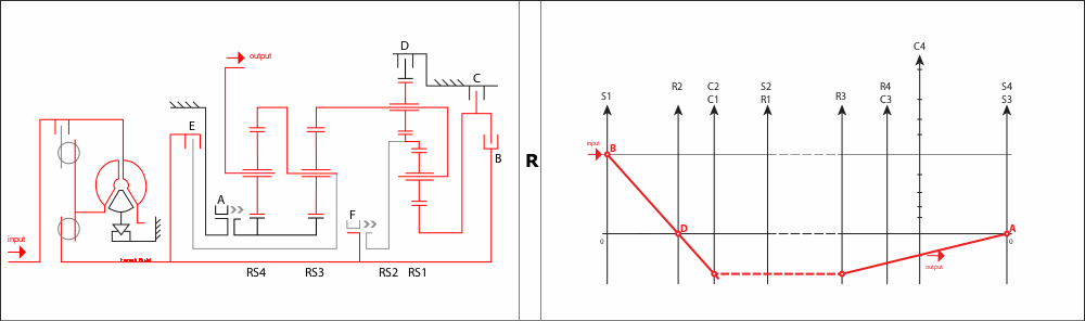
How It Works
An Animated Drive Line Schematic & A Rotational Speeds Nomogram

These ordinates are positioned on the abscissa in strict accordance with the proportions of the sun gears' teeth numbers relative to those of their rings. Consequently, the output ratios on the ordinate C4 (carrier of the last planetary gearset RS4) follows closely to those of the actual transmission.
9HP Nomogram

▶️ Interactive Nomogram
This interactive nomogram is a real geometric calculator exactly representing the rotational speeds of the transmission's 3x4 = 12 internal shafts for each of its 9 ratios (+ reverse), grouped according to their 5 permanent coupling on 4 joint ordinates and 3 independent ordinates. These ordinates are positioned on the abscissa in strict accordance with the proportions of the sun gears' teeth numbers relative to those of their rings. Consequently, the output ratios on the 6th ordinate (carrier of the fourth planetary gearset) follows closely those of the actual transmission. This advantageous geometric construction sets us free from Willis' famous and tedious formula, because all calculations are exclusively determined by lengths ratios, respectively teeth numbers on the abscissa for the 4 epicyclic ratios, and of rotational speeds on the 6th ordinate for the 10 gear ratios.
Legend:
A : Dog Clutch (couples r1+s2 with input shaft)
B : Clutch (couples s1 with input shaft)
C : Brake (blocks s1 sun gear)
D : Brake (blocks r2 ring gear)
E : Clutch (couples c3+r4 with input shaft)
F : Dog Brake (blocks s3+s4 sun gears)
Gear Ratios
| 1 | 2 | 3 | 4 | 5 | 6 | 7 | 8 | 9 | R |
|---|---|---|---|---|---|---|---|---|---|
| 4.713 | 2.842 | 1.909 | 1.382 | 1.000 | 0.808 | 0.699 | 0.58 | 0.48 | 3.80 |
List of ZF 9HP variants
| Name | Weight | Max. gasoline torque (N·m) | Max. diesel torque (N·m) | Application examples |
|---|---|---|---|---|
| 9HP28 | 78 kg | 280 | 280 | |
| 9HP48 | 86 kg | 480 | 450 | Acura TLX, Chrysler 200, Chrysler Pacifica (2017– gas versions only), Fiat Doblò, Fiat 500X, Honda CR-V (2015-), Honda Pilot, Jeep Cherokee (KL), Jeep Renegade, Ram ProMaster City, Range Rover Evoque, Land Rover Discovery Sport |
Applications
Acura
Chrysler
- Chrysler 200
- Chrysler Pacifica minivan (gasoline-only version)
FIAT
- Fiat Doblò 2015-on
- Fiat 500X
- Fiat Toro
Honda
Jeep
Ram Trucks
Land Rover
Potential future vehicles to use it
- Fiat Chrysler Automobiles transverse mounted engines[6][7]
Recalls
Some of the cars utilizing the ZF 9HP have been plagued with problems and have had TSBs issued in the Jeep Cherokee and transmission-related recalls for the Acura TLX.[8][9]
Production
Production of the 9HP started in 2013 at ZF's Gray Court facility in Greenville, South Carolina. 400,000 units are produced per year.[10]
Production of the 9HP for Fiat and Chrysler vehicles began in May 2013 at Indiana Transmission Plant I (ITPI), followed by Tipton Transmission Plant at Tipton County, Indiana in May 2014.[11]
External links
See also
References
- 1 2 "ZF Develops 9-Speed Automatic Transmission for Passenger Cars".
- 1 2 3 "Land Rover uses the 9-speed automatic transmission by ZF".
- ↑ "Holy Shift ZF 9 Speed Automatic Problems Mount Chrysler Releases Third Software Update for Jeep Cherokee".
- ↑ "HONDA British-built CR-V refreshed for 2015".
- ↑ "World Premiere in Geneva: Land Rover installs the world's first 9-speed automatic passenger car transmission from ZF".
- ↑ "Report: Chrysler to introduce 9-speed automatic for FWD models".
- ↑ "ZF shows off 9-speed".
- ↑ "Short Shirt Jeep Cherokee 9 Speed Automatic Gets Second Update for Rough Shifting".
- ↑ "Acura TLX Shifting Problems".
- ↑ "Spotted: ZF testing the 9HP Hybrid transmission".
- ↑ Chrysler Group Dedicates New Plant and Launches Nine-Speed Production in Tipton, Ind.