Small-outline transistor

A small outline transistor (SOT) is a small footprint, discrete surface mount transistor commonly used in consumer electronics.
SOT23-3, SOT323, SOT416
The SOT23-3 package is very popular and a common package for transistors, and is also used for diodes and voltage regulators.
| Dimensions (in millimeters) |
|||||
|---|---|---|---|---|---|
| View from top and side | Symbol | SOT23-3 | SOT323 | SOT416 | 3D view |
![]() ![]() |
A | ![]() | |||
| B | |||||
| C | |||||
| D | |||||
| G | 1.9 | 1.3 | 1.0 | ||
| H | |||||
| J | |||||
| K | |||||
| L | 0.95 | 0.65 | 0.5 | ||
| S | |||||
| V | |||||
| ref | [1][2][3][4] | [5][6] | [7][8] | ||
SOT23-5, SOT353
| Dimensions (in millimeters) |
||||
|---|---|---|---|---|
| View from top and side | Symbol | SOT23-5 | SOT353 | 3D view |
![]() ![]() |
A | ![]() | ||
| B | ||||
| C | ||||
| D | ||||
| F | ||||
| G | 0.95 | 0.65 | ||
| H | ||||
| J | ||||
| K | ||||
| L | ||||
| R | ||||
| S | ||||
| ref | [9] | [10][11] | ||
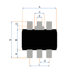
SOT23-6, SOT363
| Dimensions (in millimeters) |
||||
|---|---|---|---|---|
| View from top and side | Symbol | SOT23-6 | SOT363 | 3D view |
![]() ![]() |
A | 2.9 | ![]() | |
| B | 1.625 | |||
| C | 1.25 | |||
| D | 0.4 | |||
| G | 0.95 | 0.65 | ||
| H | ||||
| J | ||||
| K | ||||
| S | 2.8 | |||
| V | ||||
| ref | [12][13][14] | [15][16] | ||
SOT23-8
| View from top and side | Symbol | Dimensions (in millimeters) |
3D view |
|---|---|---|---|
![]() ![]() |
A | ![]() | |
| B | |||
| C | |||
| D | |||
| G | 0.65 | ||
| H | |||
| J | |||
| K | |||
| S | |||
| L | |||
| ref | [17] |
SOT143, SOT343
| Dimensions (in millimeters) |
||||
|---|---|---|---|---|
| View from top and side | Symbol | SOT143 | SOT343 | 3D view |
![]() ![]() |
A | ![]() | ||
| B | ||||
| C | ||||
| D | ||||
| F | ||||
| G | 1.78 | 1.2 | ||
| H | ||||
| J | ||||
| K | ||||
| L | ||||
| R | ||||
| S | ||||
| ref | ||||
SOT490
| View from top and side | Symbol | Dimensions (in millimeters) |
3D view |
|---|---|---|---|
![]() ![]() |
A | ![]() | |
| B | |||
| C | |||
| D | |||
| G | 0.5 | ||
| J | |||
| K | |||
| S | |||
| L | 1.0 | ||
| ref |
SOT89-3
The SOT89-3 electrically only has three leads (contact/pin). The wide lead (tab) is physically part of the middle lead on the other side of the package. Some call this package a SOT89-4, since it visually appears to have four leads when looking down at the part.
| View from top and side | Symbol | Dimensions (in millimeters) |
3D view |
|---|---|---|---|
![]() ![]() |
A | ![]() | |
| B | |||
| C | |||
| D | |||
| E | |||
| F | |||
| G | 1.5 | ||
| J | |||
| K | |||
| S | |||
| L | |||
| ref | [18] |
SOT89-5
The SOT89-5 electrically only has five leads (contact/pin). The middle lead is physically part of the middle lead on the other side of the package. Some call this package a SOT89-6, since it visually appears to have six leads when looking down at the part.
| View from top and side | Symbol | Dimensions (in millimeters) |
3D view |
|---|---|---|---|
![]() ![]() |
A | ![]() ![]() | |
| B | |||
| C | |||
| D | |||
| E | |||
| F | |||
| G | 1.5 | ||
| H | |||
| J | |||
| K | |||
| S | |||
| L | |||
| ref |
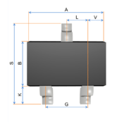
SOT223-4
The SOT223-4 package is a popular package for voltage regulators.
| View from top and side | Symbol | Dimensions (in millimeters) |
3D view |
|---|---|---|---|
![]() ![]() |
A | 6.3 to 6.7 | ![]() |
| B | 4.6 | ||
| C | 1.8 | ||
| D | 0.66 to 0.84 | ||
| F | 2.9 to 3.1 | ||
| G | 2.2 | ||
| H | |||
| J | |||
| K | |||
| L | |||
| S | 6.7 to 7.3 | ||
| ref | [19][20] |
SOT223-5
The SOT223-5 package is a popular package for voltage regulators.
| View from top and side | Symbol | Dimensions (in millimeters) |
3D view |
|---|---|---|---|
![]() ![]() |
A | ![]() | |
| B | |||
| C | |||
| D | |||
| F | |||
| G | 1.5 | ||
| H | |||
| J | |||
| K | |||
| L | |||
| S | |||
| ref |
See also
References
- ↑ SOT23-3 package drawing; NXP.com
- ↑ SOT23-3 dummy component package drawing; TopLine.tv
- ↑ SOT346 package drawing; NXP.com
- ↑ SC59A dummy component package drawing; TopLine.tv
- ↑ SOT323 package drawing; NXP.com
- ↑ SC70-3 dummy component package drawing; TopLine.tv
- ↑ SOT416 package drawing; NXP.com
- ↑ SC75A dummy component package drawing; TopLine.tv
- ↑ SOT25 dummy component package drawing; TopLine.tv
- ↑ SOT353 package drawing; NXP.com
- ↑ SOT353 dummy component package drawing; TopLine.tv
- ↑ SOT457 package drawing; NXP.com
- ↑ SOT26 dummy component package drawing; TopLine.tv
- ↑ STO?L (MAXIMS) package drawing; maximintegrated.com
- ↑ SOT363 package drawing; NXP.com
- ↑ SOT363 dummy component package drawing; TopLine.tv
- ↑ SOT28 dummy component package drawing; TopLine.tv
- ↑ SOT89-3 dummy component package drawing; TopLine.tv
- ↑ SOT223-4 package drawing; NXP.com
- ↑ SOT223-4 dummy component package drawing; TopLine.tv






























