Capacitor voltage transformer

A capacitor voltage transformer (CVT or CCVT), is a transformer used in power systems to step down extra high voltage signals and provide a low voltage signal, for metering or operating a protective relay.
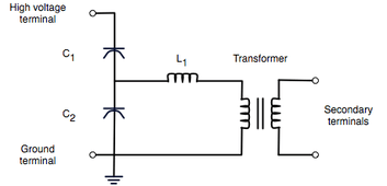
Components
In its most basic form, the device consists of three parts: two capacitors across which the transmission line signal is split, an inductive element to tune the device to the line frequency, and a voltage transformer to isolate and further step down the voltage for metering devices or protective relay.
The tuning of the divider to the line frequency makes the overall division ratio less sensitive to changes in the burden of the connected metering or protection devices.[1] The device has at least four terminals: a terminal for connection to the high voltage signal, a ground terminal, and two secondary terminals which connect to the instrumentation or protective relay.
In practice, capacitor C1 is often constructed as a stack of smaller capacitors connected in series. This provides a large voltage drop across C1 and a relatively small voltage drop across C2. As the majority of the voltage drop is on C1, this reduces the required insulation level of the voltage transformer. This makes CVTs more economical than the wound voltage transformers under high voltage (over 100kV), as the latter one requires more winding and materials.
"Capacitive voltage transformers exist and are used by utilities for high-voltage (greater than 66 kV) metering. They have a capacitive voltage divider but also have a dual-winding transformer to couple the divided voltage to the metering circuit. They tend to have lower allowable burdens than a wound transformer but can be made economically at higher voltage ratings. Another difference is that even though they decrease voltage, they do not increase current as found in wound electromagnetic transformers - an ampere drawn by the load is an ampere drawn from the primary circuit. And of course they can only reduce voltage, not increase"
The above is a part of a Wikipedia write-up. I might sum up the definition of a capacotor voltage transformer as a step down transformer with a convenient node of a series-connected capacitor network connected in series with the primary winding. The free end of the capacitor and the free end of the transormer primary constitute the primary terminals. This device is presently used as a potential transformer to monitor high voltages. Of course ordinary step down transformer does not employ series capacitor in the primary.
CVT Voltage Frequency Response
With the rated load at the voltage transformer secondary side, The output voltage of CVT initially decrease a little bit, then reaches the resonance peak at around 800 Hz. Then it decreases drastically and remains almost level out after 2000hz. .
CVT Current Frequency Response
The C2 current is linear with frequency. The frequency response for voltage transformer current has a resonance peak at around 800 Hz. C2 current is substantially larger than voltage transformer current.
Bus Voltage Representation of CVT
The bus voltage in frequency domain can be calculated by summing the voltages on C1 and C2. From the calculation result it can be seen that the bus voltage only relates to C2 current, voltage transformer current and their ratios.This result is helpful to reconstruct the bus voltage with the C2 current, voltage transformer current. For the ratio, it can be achieved by using a summing amplifier.
Other Applications
The CVT is also useful in communication systems. CVTs in combination with wave traps are used for filtering high-frequency communication signals from power frequency.[2] This forms a carrier communication network throughout the transmission network.
See also
References
- ↑ T. Davies Protection of industrial power systems second edition, Butterworth-Heinemann, 1996 ISBN 0-7506-2662-3 page 55
- ↑ Stanley H. Horowitz, Arun G. Phadke Power system relaying third edition, John Wiley and Sons, 2008 ISBN 0-470-05712-2 pages 64–65
External links
- Brochure for a commercial CVT series (up to 1100kV) by a joint venture of General Electric and XD Group