Beam deflection tube

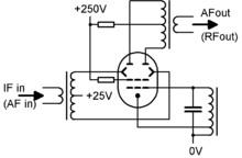
Basic self-oscillating circuit

Beam deflection tubes are vacuum tubes with an electron gun, a beam intensity control grid, a screen grid, sometimes a suppressor grid, and two electrostatic deflection electrodes on opposite sides of the electron beam, that can direct the rectangular beam to either of two anodes in the same plane. They can be used as two-quadrant, single-balanced mixers or (de)modulators with very linear qualities, their mode of operation similar to one-half of a Gilbert Cell, by applying an unbalanced signal f1 to the control grid and a balanced signal f2 to the deflection electrodes, then extracting the balanced mixing products f1f2 and f1 + f2 from the two anodes.[1][2] Similar to a pentagrid converter, the cathode and the first two grids can be made into an oscillator. Two beam deflection tubes can be combined to form a double-balanced mixer.

They need extensive shielding against external magnetic fields. The ballistic transistors currently under development employ a similar principle.

Examples

Main article: List of vacuum tubes

More elaborate applications of the principle include:

References

  1. M. B. Knight (1960). "A new miniature beam deflection tube" (PDF). RCA Electron Tube Division. Retrieved May 30, 2013.
  2. H. C. Vance K2FF (1960). "SSB Exciter Circuits Using a New Beam-Deflection Tube" (PDF). QST. Retrieved May 30, 2013.
  3. "GL-2H21 Phasitron". General Electric. September 1945. Retrieved 25 August 2016.
  4. Robert Adler (January 1947). "A New System of Frequency Modulation" (PDF). Institute of Radio Engineers. Retrieved 25 August 2016.
  5. Rider, John. F., and Seymour D. Uslan (1948). "THE GENERAL ELECTRIC TRANSMITTER" (PDF). John F. Rider. Retrieved 25 August 2016.
  6. "6090 18 channel radial beam tube - multiple anode type data sheet" (PDF). National Union Electric Corporation. January 1956. Retrieved 15 June 2013.
  7. "6170 & 6324 25 channel radial beam tube - multiple grid type data sheet" (PDF). National Union Electric Corporation. December 1955. Retrieved 15 June 2013.
  8. Miller, Joseph A., Soltes, Aaron S., Scott, Ronald E. (February 1955). "Wide-band Analog Function Multiplier" (PDF). Electronics. Retrieved 15 June 2013.


This article is issued from Wikipedia - version of the 8/25/2016. The text is available under the Creative Commons Attribution/Share Alike but additional terms may apply for the media files.